전자 루울렛 & 10진 링 카운터 회로도
hyun2
2025-09-17 21:46
402
0
본문
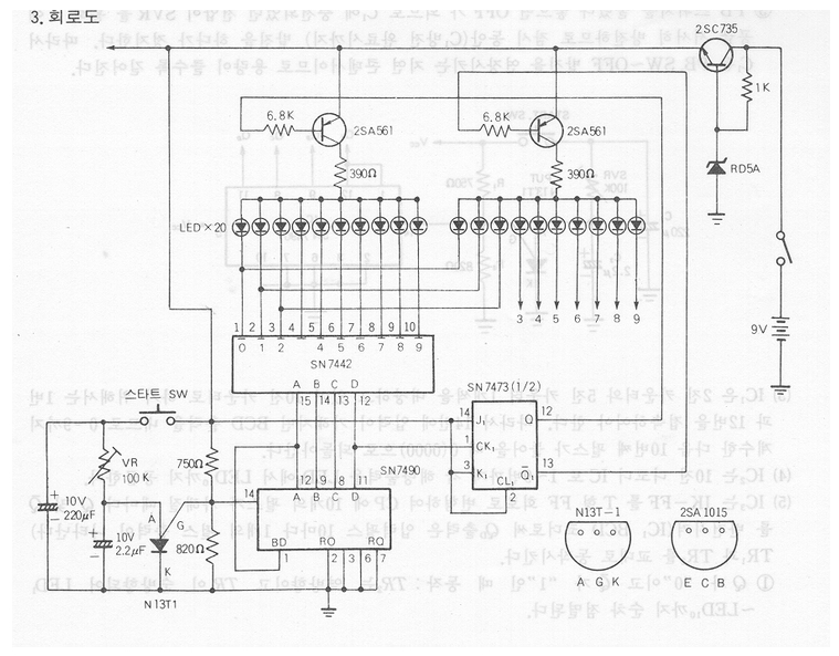
어렸을때. 전자 루울렛 회로 + 10진 링카운터 를 약간 개조해서 완전 노가다 루울렛을 만들었던 기억이 났다.
(LED 100개 순차 점멸 + 그동안 10개 반복 점멸)
다시 한번 만들어 볼까 하는데. 시간이 될지.
만들게 되면 그때 올리겠습니다. (너무나도 노가다라...)
전자 루울렛

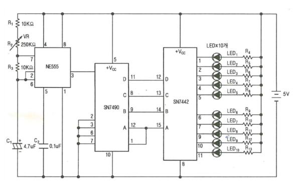
10진 링카운터

댓글목록0